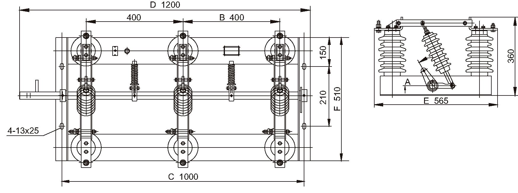
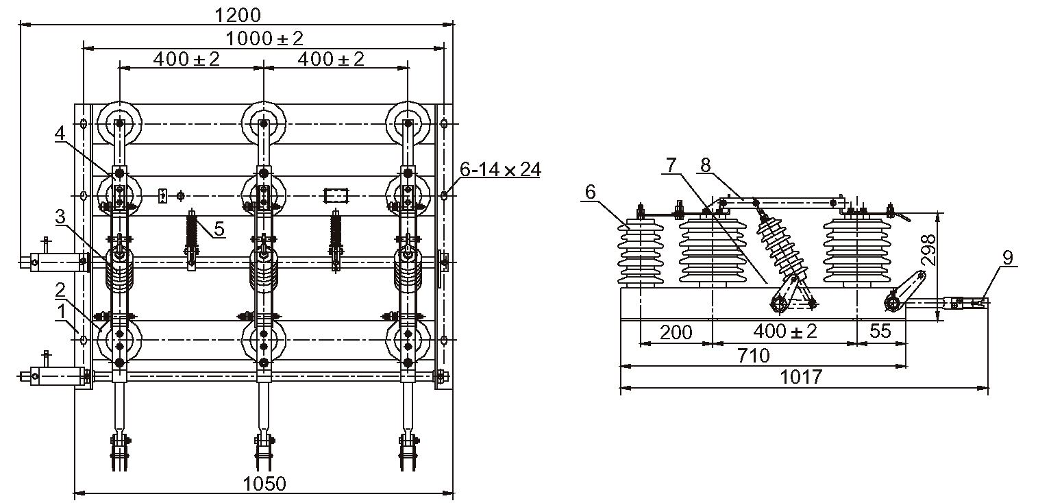
Description
Models MGW1-12, 24, 40.5 are outdoor disconnectors, designed to turn on and off de-energized sections of the electrical circuit with a rated voltage of 10 kV, 20 kV or 35 kV and an alternating current frequency of 50 and 60 Hz. The special version can be used in severe pollution areas.
Environmental conditions
Height: <3000m;
Ambient temperature: -30 ° С- + 40 ° С;
Wind speed: <35 m / s;
Air pollution: IV;
Earthquake intensity: <8 degrees;
Ice thickness: <10 mm.







