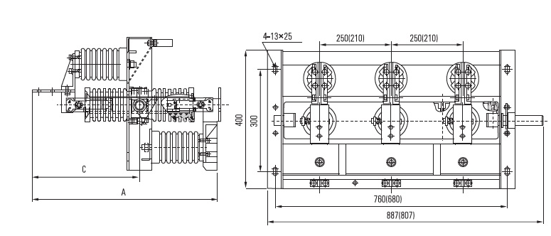
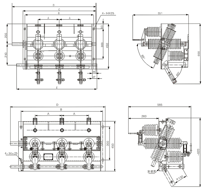
Description
Model MGN30-12 (D) is indoor three-pole disconnector for power distribution equipment, designed to enable and disable de-energized sections of the electrical circuit with a rated voltage of 10 kV and an alternating current frequency of 50 Hz.
D-indicates the presence of an earthing switch.
Rated voltage, kV: 10
Maximum working voltage, kV: 12
Rated current, A: 400, 630, 1000, 1250
Operating condition:
- Altitude: up to 1000 m.
- Ambient temperature: from -15 ° C to + 40 ° C.
- Humidity: the average value of relative humidity during the day is not more than 95%; the average value of relative humidity during the month is not more than 90%.
- Seismic resistance up to 8 points.
- Environment is not explosive, does not contain dust, aggressive gases and vapors in concentrations that destroy metal and insulation.
- Lifetime — 20-25 years.
- Warranty period from the date of commissioning — 2 years.









