Description
MEK6-12 earthing switch of the indoor unit is designed to operate as a part of switchgear cabinets in three-phase alternating current networks with a frequency of 50 Hz, rated voltage 10, 20, 35 kV, with an insulated or grounded neutral arcing reactor or resistor.
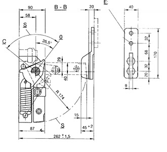
The earthing switch is equipped with a spring drive, which ensures the movement of grounding knives at a speed independent of the speed of the operator switching.
For visual inspection, the earthing switch is equipped with a position indicator, and the earthing switch drive system is equipped with a contact block for using the corresponding signals in the secondary signaling and control circuits. The drive system provides the necessary locks for using the ground electrode in the switchgear.
Rated voltage, kV: 10, 20, 35
Maximum working voltage, kV: 12, 24, 40.5
Rated current, A: 630, 1250
It serves for the safe grounding of electrical equipment during repairs and maintenance.
Advantages of MEK6 earthing switch
1. Security
The speed of the instantaneous mechanism is independent of the operator. Ability to turn on short circuit current.
2. Installation flexibility
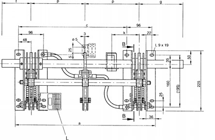
The moving parts of the earthing switch are supplied assembled, and the mating fixed parts are ready for installation. The pole distance can vary to install an earthing switch in the switchgear or separately. A manual drive or a motor drive may be used.
3. Compact
Compact design with minimal footprint






