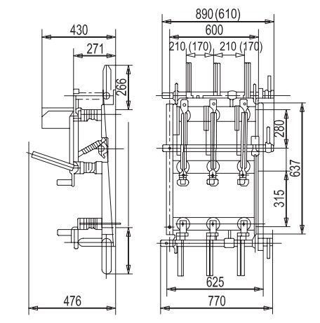
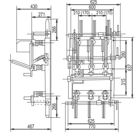
Description
The MFN7-12 load switch is a three-phase autogas load switch that provides switching on and off under load (without damage) of sections of a three-phase alternating current circuit, with earthed or isolated neutral, in emergency conditions.
Rated current, A — 125, 400, 630
Rated voltage, kV — 10
The maximum operating voltage, kV — 12.7
Rated frequency, Hz — 50
Rated short-time withstand current, kA / s — 12.5 / 4 20/2
Rated peak withstand current, kA — 31.5 / 50
Impulse voltage (peak) / ground, kV — 75/85







