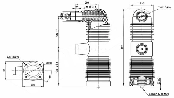
Description
Embedded pole uses the insulation material to reliably sealing combine vacuum interrupter and the main loop conductive element, and the insulation support as a whole, which has the advantages of simple assembly, stable weight, high reliability and strong environmental pollution tolerance.
Product features:
Embedded pole uses the insulation material to reliably sealing combine vacuum interrupter and the main loop conductive element, and the insulation support as a whole, which has the advantages of simple assembly, stable weight, high reliability and strong environmental pollution tolerance.
Application:
Matched with relevant indoor vacuum circuit breaker or vacuum distribution device, it is especially useful to frequent operation places, such as electric power, machinery, chemical industry, metallurgy, mining and other departments, with frequency 50Hz/60Hz, rated voltage 35kV, 40.5kV:
MEP83-40.5/1250-31.5
MEP83-40.5/1600-31.5
MEP83-40.5/2000-31.5
MEP83-40.5/2500-31.5
Power Frequency Withstand Voltage: 95kv
Lightning Impulse Withstand Voltage: 185kv
Mechanical Life: 10000 Times
Clearance between Open Contacts: 17-19mm
Rated Short-Circuir Duration: 4s





