Description
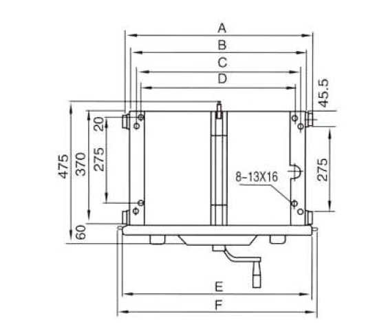
Chassis trucks (Withdrawable trolley or Hardware cart) serves as a base for the vacuum circuit breaker and is used in switchgear cells with a module of the withdrawal element, is a ready-made product, has in its composition interlocks do not allow to perform the operation of rolling out the circuit breaker in the on position and allows you to control the position of the circuit breaker from the front of the cell, with the closed door of the high-voltage compartment.
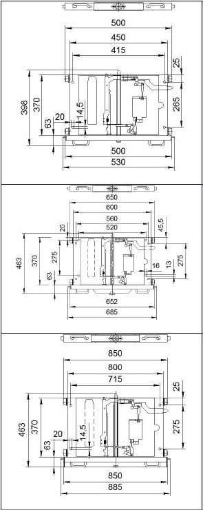
The cassette base for a vacuum circuit breaker is intended for use in cabinets of new series of switchgear with a middle location of the circuit breaker. It can be used both in new, designed switchgear cells, and in already produced ones.
Chassis trucks have the following advantages: – high service life, low power consumption in operational power supply circuits, no need for repairs during the entire service life, – small dimensions and weight.
The Chassis truck is a finished product that improves the safety of servicing the circuit breaker, thanks to the presence of a number of built-in interlocks, control devices and circuit breaker position signaling.
Compatible with similar products from other manufacturers. Allows you to control the position of the switch from the facade of the cell when the door of the high-voltage compartment is closed.










